


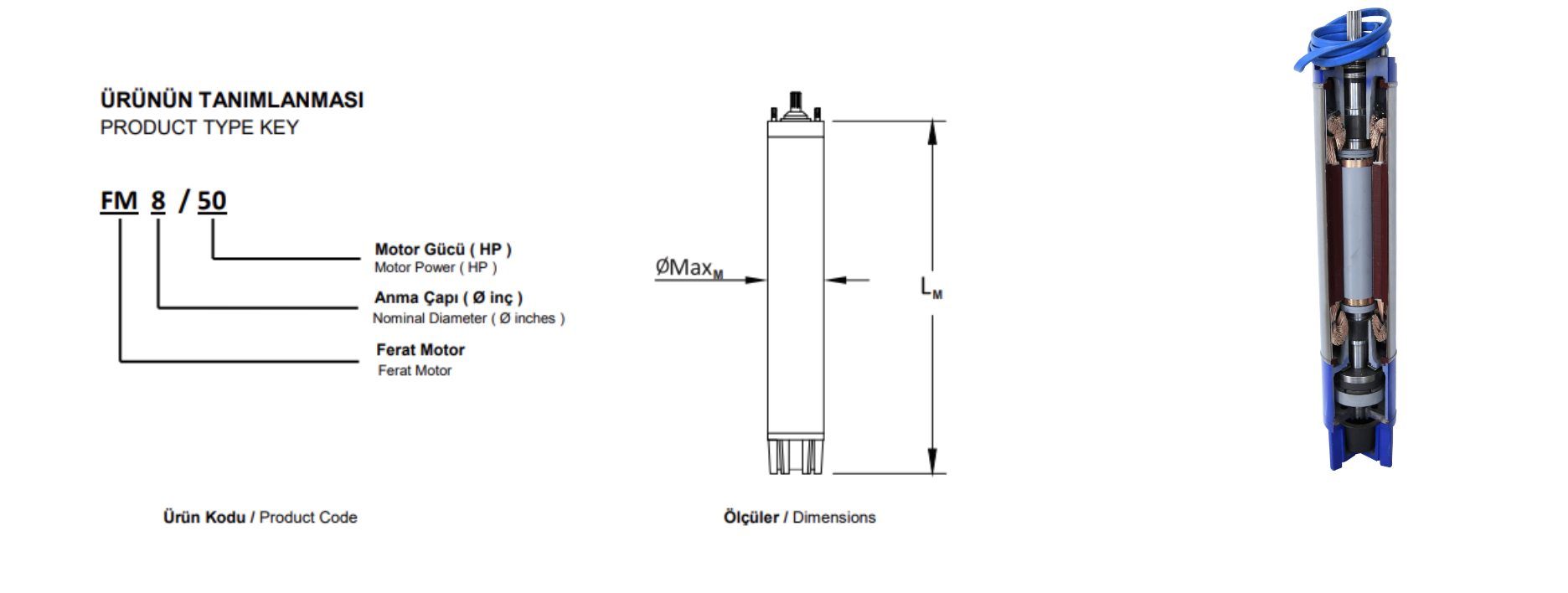
FM SUBMERSIBLE MOTORS (50 Hz)
All of our motors have wet stator and rotor. It is designed to work in water. Lubrication and cooling of radial and axial bearings are provided by water.
In our company;
• 5”,6’’,7’’,8’’,9’’,10’’ and 12” types,
• From 3 KW to 300 KW power,
• At 2 poles 50 Hz (2900 rpm) and 2 poles 60 Hz (3450 rpm) frequencies and speeds,
• 3 phases 380 – 415 Volt (50Hz)
• TS 11146, IEC EN 60034-1 and NEMA MG1 standard dimensions and tolerances,
• Rewindable feature,
• Submersible motors operating at a maximum water temperature of 30 °C are produced.
(Optional water temperature 70 °C). All our motors before shipment; they have been subjected to the required tests according to the definitions of the standards.
In the products; “Superior Technology and Low Energy Consumption” are given importance.

Thrust Bearing Kit "Mitchell Type"

Heavy duty bearings provide the option to rotate two – way, have the capacity to carry high thrust load.
Mechanical Seal

Prevents entry of sand and other particles into motor. Keeps high durability for bearings.
Membrane

Membrane minimizes the expansion pressure that is caused by heating of cooling waters inside the motor.
Motor Adjustment Screw

Standard shaft height can be precisely adjusted by the adjustment screw on the thrust bearing base.
PT100 Overheating Protection

By connecting the PT100 thermal sensors to the slot that is standardly placed on upper bearing body, motor temperature values can be easily measured.
Slinger (Sand Guard)

Slinger helps to prevent the sand inside the water of the well entering in mechanical seal and through mechanical seal to inside of the motor.
Rotor Shaft Bushing

Chrome-plated and precisely machined bearing collets which are located in the radial bearings operating area, have great importance for bearingthe rotor.
Radial Carbon Bearing

Radial carbon bearings, which have channels in its structure that makes it possible to get lubricated by water easily, provides precise bearing of rotor shaft at upand down.
Check Valve

It rules the pressure changes in water excellently check valve balances inner pressure, by throwing out and gettin in after filtering the water, dependently to changing pressure. So it prevents the membrane from pressure explosion.
Bobin Teli

PE2+PA coil wire allows the engine to run at 70°C well temperature. Increases the life and durability of the submersible motor.
Counter-Thrust Sliding Block

Provides safe operation conditions for motor by absorbing Up-Thrust loads with it’s machined surface and water channels on it.
Rotor Shaft

Rotor shaft, top side is made of AISI 304 material. Shaft end connection in NEMA Standards.


Technical Datas